Buick Rendezvous Rear Differential 2002 2007
2002 Buick Rendezvous Differential Noise How To Change Oi
Details About 04 05 06 Buick Rendezvous Rear Differential Carrier Assembly 34l Stk L46c12
Amazoncom Apdty 141392 All Wheel Drive Rear Diff
02 06 Buick Rendezvous Rear Differential Carrier Axle
Axle Differential For 2005 Buick Rendezvous Gmpartonline
Details About 02 06 Buick Rendezvous Rear Differential Carrier Assembly 329 Ratio 98k Oem
2003 Buick Rendezvous Rear Axle Seal 88996609 Drive Train
2005 Buick Rendezvous Awd When Driving At 2100 Rpm No
2005 Buick Rendezvous What Is The Name Of The Part Attached
Rear End Fluid How Do I Checks The Fluid In The Rear End
Solved Awd Disabled 2005 Buick Rendesvous Fixya
Rear Axle Differential For A 2003 Buick Rendezvous Avd
Best 2005 Buick Rendezvous Rear Differential Fluid Of 2019
Can The Rear Differential Check Valve On The Versatrak
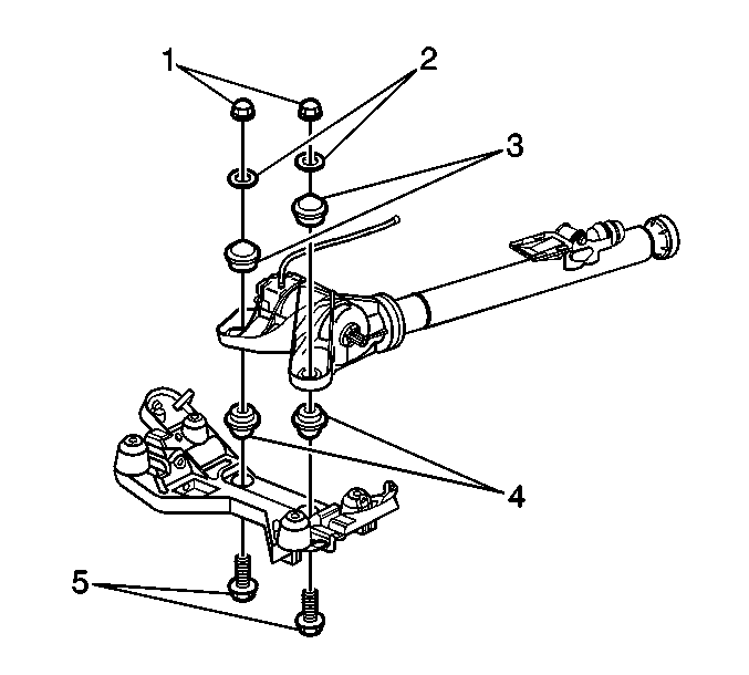
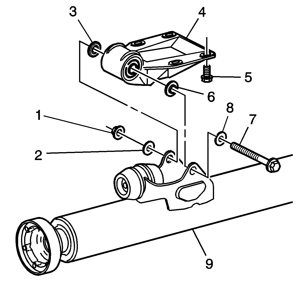
Repair Instructions Rear Axle Shaft Seal Replacement
Repair Instructions Rear Axle Shaft Seal Replacement
2005 Buick Rendezvous What Is The Name Of The Part Attached
How To Replace The Rear Differential Fluid On A 2002 2006 Awd Honda Cr V
Rear Axle Differential For A 2003 Buick Rendezvous Avd
2003 Buick Rendezvous Rear Ebrake With The C Shaped Spring
2005 Buick Rendezvous What Is The Name Of The Part Attached
Buick Rendezvous Parts Partsgeekcom
2005 Buick Rendezvous Cxl For Sale In Hartsville Sc Stock
Gm Oem 88896067 Awd Control Valve Buick Rendezvous Aztek
Genuine Gm Fluid 12378514 Versatrak Transfer Case Fluid
Gm Tech Tip Rear Independent Suspension For Awd Vehicles
02 06 Buick Rendezvous Rear Differential Carrier Axle
2005 Buick Rendezvous Specs Price Mpg Reviews Carscom
Best 2005 Buick Rendezvous Rear Differential Fluid Of 2019
Axle Differential Bearing Rear
Buy Here Pay Here 2005 Buick Rendezvous Cx Awd For Sale In
Gm Oem 88896067 Awd Control Valve Buick Rendezvous Aztek
Buick Rendezvous Recalls Carscom
Rear Axle Differential For A 2003 Buick Rendezvous Avd
Apdty 016616 Suspension Knuckle Bushing Rear Upper Left Or Right Wpress Tool Fits Buick Rendezvous Buick Terraza Chevrolet Uplander Chevy Venture
Used 2003 Buick Rendezvous For Sale In Fort Worth Tx Edmunds
2002 07 Buick Rendezvous Consumer Guide Auto
2005 Buick Rendezvous Awd Ultra 4dr Suv In Gifford Il
2005 Buick Rendezvous Awd Cx 4dr Suv In Beavercreek Oh Knh
Gm Tech Tip Rear Independent Suspension For Awd Vehicles
Used 2003 Buick Rendezvous For Sale In Fort Worth Tx
How To Change Fluid In Rear Differential What Type Of Differential Fluid To Use
2005 Buick Rendezvous Cxl For Sale With Photos Carfax
Exterior Trim Rear Door For 2005 Buick Rendezvous
2005 Buick Rendezvous Cxl For Sale In Hartsville Sc Stock
Aztekrendezvousventuremontana Differential Awd Control
2005 Buick Rendezvous Cargurus
Buy Here Pay Here 2005 Buick Rendezvous Cx Awd For Sale In
Best 55 Rear End Wallpaper On Hipwallpaper Rear End
Details About 2002 2007 Buick Rendezvous Crossmember K Frame Rear Oem
2005 Buick Rendezvous Awd Cx 4dr Suv In Maywood Il
2005 Buick Rendezvous Supreme Motors
Axle Differential Bearing Rear
2005 Buick Rendezvous Reviews Everyautocom
2005 Buick Rendezvous Consumer Reviews Kelley Blue Book
Amazoncom Scitoo Complete Strut Coil Spring Assembly
2005 Buick Rainier Engine Diagram Wiring Diagram Database
2005 Buick Rendezvous Awd Cx 4dr Suv In Maywood Il
Pontiac Aztek Autopedia Fandom
Buick Rendezvous Changing The Vehicle Speed Sensor
Differential Shut Off Valve New Original
2005 Buick Rendezvous Driveline Parts Axles Hubs Cv
2005 Buick Rendezvous Supreme Motors
2002 07 Buick Rendezvous Consumer Guide Auto
Is It Safe To Drive With A Leaking Axle Seal Yourmechanic
2002 Ford Explorer Vs 2002 Buick Rendezvous Vs 2001 Toyota
Gm Oem 88896067 Awd Control Valve Buick Rendezvous Aztek
2005 Buick Rendezvous Read Owner And Expert Reviews
Details About 02 07 4t65e Buick Rendezvous Pontiac Saturn Relay Differential And Transfer Case
4wd Actuator Valve 600 121 Differential Oil Flow Check
2005 Buick Rendezvous Review Ratings Edmunds
Buick Rendezvous 2005 2006 2007 Repair Manual
2005 Buick Rendezvous Vin Number Search Autodetective
Blog Post What To Do When Your Rear End Is Gone Car Talk
2005 Buick Rendezvous Read Owner And Expert Reviews
2005 Buick Rendezvous Cxl For Sale In Hartsville Sc Stock
Buy Here Pay Here 2005 Buick Rendezvous Cx Awd For Sale In
Buick Rendezvous Questions Awd Disable Light Is Onwhat
2005 Buick Rendezvous Awd Cx 4dr Suv In Beavercreek Oh Knh
How To Check Your Cars Differential Gear Oil 13 Steps
2pcs Rear Wheel Hub And Bearing Assembly For Buick
Amazoncom Apdty 141392 All Wheel Drive Rear Diff
Work With A Pro Lindsay Transmission
2003 Buick Rendezvous Vs Honda Pilot Mitsubishi Endeavor
Buick Rendezvous Rear Axle Assembly Used Suv Parts
Differential Pinion Bearing Rear Inner
2005 Buick Rendezvous Awd Cx 4dr Suv In Maywood Il
2005 Buick Rainier Engine Diagram Wiring Diagram Database
Reviewed by Anna Turner
on
Januari 25, 2019
Rating:








Tidak ada komentar: