Overview Of Buick Lesabre Fuel Pump Replacement
Details About Fuel Pump And Sender Assembly For 1988 1991 Buick Lesabre 38l V6 1989 C332jm
Fuel Pump Relay I Have A 1994 Buick Lasabre That I Thought
Access Fuel Pump In Buick Century W Body Car
1992 Buick Century Fuel Pump Is There An Access Panel To
Buick Park Avenue Questions Changing The Fuel Pump Without
1991 Gm H Body Fuel Sending Unit Repair Part 1avi
93 Buick Lesabre Fuel Pump Relay Location
1994 Buick Century Fuel Pump Wiring Machine Learning
2002 Buick Century Fuel Pump Wiring Diagram Automotive
99 Buick Lesabre Fuse Diagram Wiring Diagram General Helper
2002 Buick Century Fuel Pump Wiring Diagram Automotive
Fuel Pump Relay And Fuse Location I Have Looked For The
99 Buick Lesabre Fuse Diagram Wiring Diagram General Helper
Amazoncom Fuel Tank Sending Unit For Buick Lesabre Park
Quantum 255lph Fuel Pump Buick Lesabre 1986 1987 1988 1989
Fuse Relay Box 2004 Buick Lesabre Under Seat Wiring
Fuel Pump Relay Location Where Is Fuel Pump Relay Also
Quantum 255lph Fuel Pump Buick Lesabre 1986 1987 1988 1989
Wiring Diagram 1991 Buick Park Avenue Tips Electrical Wiring
New Oem Replacement Buick Lesabre 1986 1987 1988 1989 1990
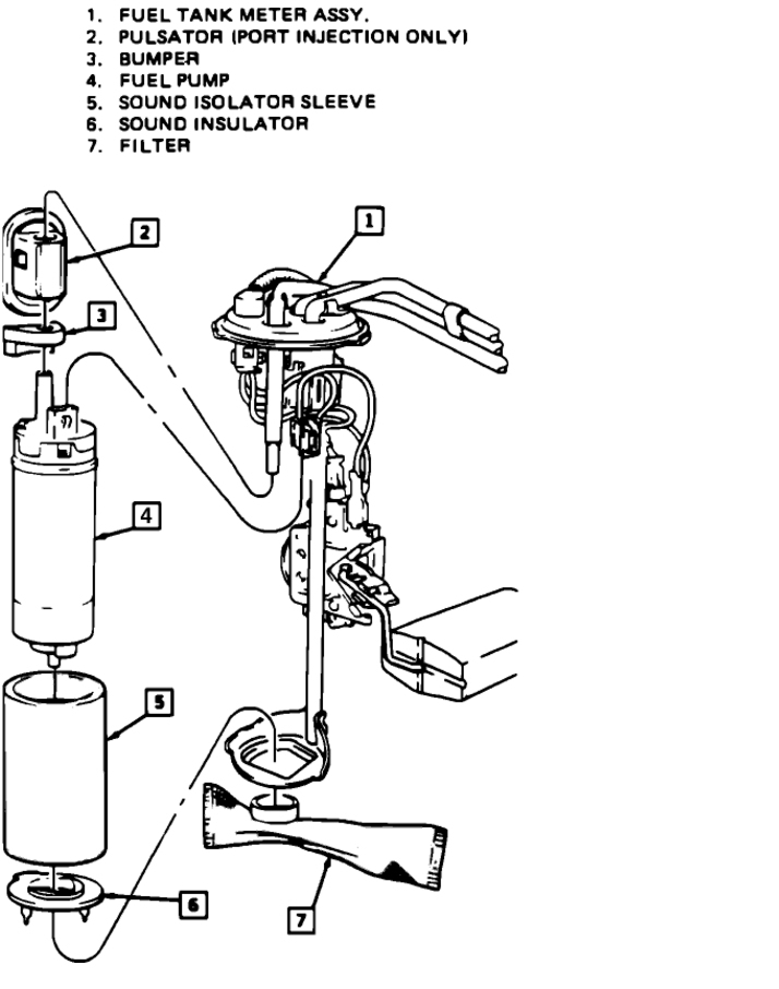
1991 Buick Lesabre Fuel Pump And Sender Assembly
1994 Buick Century Fuel Pump Wiring Machine Learning
Wiring Diagram 1991 Buick Park Avenue Tips Electrical Wiring
For 1986 1992 Buick Lesabre Electric Fuel Pump 41554rj 1987
For 1986 1992 Buick Lesabre Electric Fuel Pump 41554rj 1987
Fuel Pump Electric Kit Universal For 1991 1992 1993 1994 1995 Acura Legand Nsx Buick Century Lesabre Electra Daihatsu Charade Ford Probe Honda Accord
Fuse Relay Box 2004 Buick Lesabre Under Seat Wiring
99 Buick Lesabre Fuse Diagram Wiring Diagram General Helper
1989 Buick Skylark Fuel Pump Changed
Lamda Ldp 607 Electric Fuel Pump For Buick Cadillac Gmc Chevy
Carter Fuel Tank Lock Ring For 2000 2005 Buick Lesabre 38l
Quantum Genuine Walbroti 350lph Fuel Pump Buick 1986 1987
Remove Fuel Pump In Buick Century W Body Car
Amazoncom Ocpty Fuel Pump Electric Replacement Fits 1984
1991 Buick Lesabre Fuel Pump And Sender Assembly
Buick Skylark Questions Any Way To Check Fuel Pump Without
1991 Buick Lesabre Fuel Pump Relay Electrical Problem 1991
Fuel Pump 2005 Buick Lesabre Youngs Auto Center Salvage
Ken91lesabre 1991 Buick Lesabre Specs Photos Modification
Buick Lesabre Overview Cargurus
1991 Buick Lesabre Fuel Pump Strainer Autopartskartcom
Quantum Genuine Walbroti 350lph Fuel Pump Buick 1986 1987
1995 Pontiac Bonneville Fuse Panel Diagram Reading
Carter P74037 In Tank Electric Fuel Pump Amazonin Car
Quantum Genuine Walbroti 350lph Fuel Pump Buick 1986 1987
Fuel Pumps For 1991 Buick Lesabre For Sale Ebay
Fuel Pump Relay I Have A 1994 Buick Lasabre That I Thought
1989 1991 Buick Lesabre Coil Packignitor38l 2499
Buick Roadmaster Questions Fuel Pump Cargurus
1998 Buick Lesabre Fuel Pump Diagram Wiring Schematic
Fuse Relay Box 2004 Buick Lesabre Under Seat Wiring
Quantum Genuine Walbroti 350lph Fuel Pump Buick 1986 1987
2002 Buick Century Fuel Pump Wiring Diagram Automotive
For 1986 1992 Buick Lesabre Electric Fuel Pump 41554rj 1987
Fuel Pumps For 1991 Buick Lesabre For Sale Ebay
Wiring Diagram 96 Buick Century Tips Electrical Wiring
Products Tagged Cnt Oem Buick Fuel Pump Fuelpumpfactory
Amazoncom Ineedup Idle Air Control Valve Iac Motor
91 Buick Century Owners Manual
Quantum Genuine Walbroti 350lph Fuel Pump Buick 1986 1987
1999 Buick Lesabre Fuel Filter Replace Neopaydayloanscom
Fuel Pump 2005 Buick Lesabre Youngs Auto Center Salvage
Details About High Performance Electric Intank Fuel Pump For Buick 85 90 Electra 86 91 Lesabre
Custom New Electric Intank Fuel Pump With Installation Kit Fit Buick Cadillac Gmc Chevy Ep189
Ken91lesabre 1991 Buick Lesabre Specs Photos Modification
1991 Buick Lesabre Fuel Pump Strainer Autopartskartcom
Amazoncom Lamda E3240 Electric Fuel Pump For Chevrolet
Quantum Genuine Walbroti 350lph Fuel Pump Buick 1986 1987
Fuel Pump Replacement Pontiac Bonneville 1987 1991 Install Remove Replace
Fuel Pumps For 1991 Buick Lesabre For Sale Ebay
For 1986 1992 Buick Lesabre Electric Fuel Pump 41554rj 1987
Part 2 How To Test The Fuel Pump Gm 38l
1999 Buick Lesabre Fuel Filter Replace Neopaydayloanscom
Custoneparts New Electric Intank Fuel Pump With Strainerfilter Rubber Gaskethose Stainless Steel Clamps Universal Connector Wiring Harness Fit
How To Remove Fuel Tank 91 96 Buick Regal Part1
91 Buick Lesabre Radiator Fan Is Not Coming On Leading To
Wiring Diagram 1991 Buick Park Avenue Tips Electrical Wiring
Amazoncom High Performance Electric Intank Fuel Pump For
Curbside Classic 1986 Buick Lesabre Custom Heavenly Hash
Fuel Pump 2005 Buick Lesabre Youngs Auto Center Salvage
For 1986 1992 Buick Lesabre Electric Fuel Pump 41554rj 1987
Buick Walbro Fuel Pump Oem Replacement
How To Change A Radiator Replacing Radiator In 1991 Buick Lesabre Gmc Chevrolet Ford
2003 Buick Rendezvous Wiring Harness Basic Electrical
Acdelco Air Intake Fuel Delivery Parts For 1991 Buick
Fuel Pump 2005 Buick Lesabre Youngs Auto Center Salvage
1994 Buick Lesabre Coil Packs If Coil Packs Ar Bad Will
1991 Buick Lesabre Not Getting Fuel Buick Forums
For 1986 1992 Buick Lesabre Electric Fuel Pump 41554rj 1987
Fuel Pump 2005 Buick Lesabre Youngs Auto Center Salvage
1992 Buick Lesabre Engine Diagram Tips Electrical Wiring
Used 1995 Buick Lesabre For Sale Near You Edmunds
Symptoms Of A Bad Or Failing Fuel Pump Relay Autoblog
Wiring Diagram 1991 Buick Park Avenue Tips Electrical Wiring
Reviewed by Anna Turner
on
Januari 21, 2019
Rating:





Tidak ada komentar: